目前为止TCXO晶振的应用可以说是十分常见的了,使用的产品范围十分广泛。在电子元件市场上,很容易就能购买到符合要求的TCXO,而且大多数价格算不上高昂。可大多数人都只知道TCXO晶振表面一层基础而已。它是如何工作的,有多少种补偿方式,有什么功能?怎么才能找到符合自己应用的TCXO,为什么有时候根据应用情况选择的TCXO比市场上普通的TCXO贵?
TCXO的特性决定它主要用在对温度稳定性有要求的应用上。TCXO晶振比其他振荡器,如SPXO晶振、VCXO振荡器温度稳定性更好。
其温度稳定性参数是频率随温度变化的情况量度再以两种方式定义。常用的方式是利用±规格,比如说±0.28ppm,和工作温度范围对应,通过是25℃,-20°C到70°C和-40至85°C是常见的两种温度范围。假如把25℃的频率设置成为标称值,可能导致设备的频率会偏差或者高于标称频率不超过±0.28ppm。这和指定温度稳定性不一样,属于第二种方式。就算用峰值或者仅±去没有参考点的值。在这第二种的情形下,也许我们不知道标称频率会发生怎样的变化,但是总的范围是知道的,设备是使用定义参考点的±值指定。
TCXO对工程师很有用,因为它们可以在10到40倍之间的任何地方使用温度稳定性比标准VCXO具有相同的功耗和占用面积板。TCXO弥合了标准XO或VCXO与OCXO恒温晶振之间的差距,这些差距更大需要更多动力才能运行。推动技术的目的是降低功耗降低成本,因此TCXO为功耗和成本敏感的应用提供了良好的中端解决方案。
图1是不同石英晶体振荡器类型的典型温度稳定性的示意图,范围从标准VCXO的50ppm到高性能OCXO的0.2ppb。轴反转使得曲线在增加温度稳定性的方向上增长。TCXO稳定性范围涵盖了VCXO和OCXO之间的中间位置(在某些情况下还可以保留一些OCXO性能)。
图1.各种振荡器类型的温度稳定性范围
TCXO温度稳定性水平(从5ppm到50ppb)通常是必要的,因为振荡器是在没有外部频率的系统中,可以在自由运行模式下独立运行参考,或作为合成器的固定频率参考,TCXO温补晶振在开环操作中驱动aDDS(直接数字合成)以及DDS而非TCXO被“锁定”到外部参考的位置。
后一种情况(TCXO是开环,频率在DDS设置)正变得越来越普遍,因为设计人员发现他们可以使用DDS解决方案实现更好的频率分辨率通过数模转换器转向TCXO晶振。因为转向是在DDS中完成的而不是振荡器,设计师需要能够对频率如何做出某些假设固定参考值将随温度变化,以便他们可以规划锁相的设计循环相应。由于灵活性,它们允许温度补偿晶振用于大量频率控制应用程序,但一个重要的领域是小型蜂窝基站(femto,micro和pico)被用作定时分配芯片的固定频率源。
TCXO如何运作:
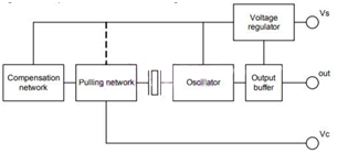
在非常基本的术语中,TCXO通过采用感应温度补偿网络来运行环境温度并将晶体拉至其标称值。基本振荡器电路和输出级与VCXO中的预期相同。

图2是简化的TCXO功能框图。
图2.TCXO功能块
这个想法是补偿网络驱动牵引网络,然后调整振荡器的频率。
图3是发生了什么的概述-未补偿的晶体频率响应温度(红色)就像一个三阶多项式曲线(如果你采用振荡器非线性,更像是第五个),所以补偿网络的目标为了抵消温度对晶体的影响,产生的电压实际上是关于晶体曲线温度轴的镜像。补偿电压显示为蓝色,得到的频/温度曲线以绿色显示。

图3.温度补偿
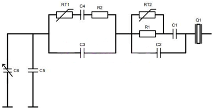
实现这一目标的方法随着时间而改变。使用的第一种方法之一是直接补偿技术,其中使用热敏电阻,电容器和电阻器网络来直接控制有源晶振的频率。温度的变化会导致热敏电阻(图4中的RT1和RT2)发生变化,这会导致网络的等效串联电容发生变化-这反过来会改变晶体上的电容负载,从而导致振荡器频率的变化。
图4.直接补偿
在随后的开发中(图5中所示的间接补偿)热敏电阻网络(RT1至RT3)和电阻器(R1至R3)用于产生温度相关的电压。输出电压网络被过滤,然后用于驱动变容二极管,变换晶体上的负载,再次产生频率变化。
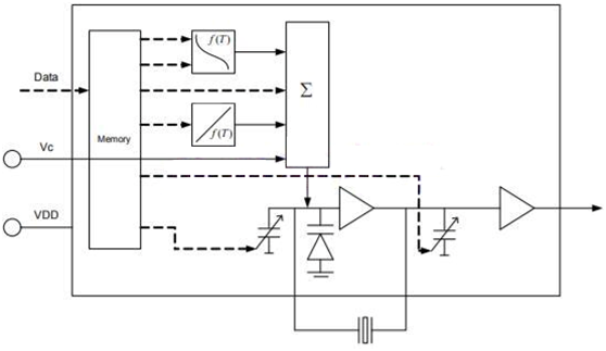
当前的方法将补偿网络和拉网络集成到集成电路中(如图6所示),补偿网络的作用由一组总和的运算放大器起作用一起产生温度的3阶或5阶函数。与间接补偿方法一样该电压用于驱动变容二极管,进而改变振荡器的输出频率。由于晶体特性的变化意味着没有“一刀切”的功能,因此在此期间得出了解决方案温补振荡器的温度测试。两个电容器阵列
于在室温下调节频率到标称值,然后在期间获得温度补偿功能所需的设置测试并存储在片上存储器中。
图6综合补偿
最后一种方法通常被称为“数字控制模拟补偿”,并且常见因为可以在a中提供的功能量,所以在小型TCXO设计中单ASIC。
再为大家献上关于温补振荡器的一些小知识,首先TCXO系列的很多常规选择都不是高频率的,常用的频点是10.000MHz,16.384MHz,19.200MHz,20.000MHz,25.000MHz,26.000MHz,30.720MHz,40.000MHz,等,恒晶科技的温补晶振TCXO可以覆盖10MHZ~120MHz的频率范围,50.000MHz, 100MHz等也是常规频点;
其次在所有小体积振荡器类型中,温补晶振的精度是最高的,范围在±0.05ppm~±2.5ppm之间,其他振荡器大部分都是±10ppm~±100ppm比较多;目前消费类的商业级应用中TCXO系列最小的尺寸可以做到1.6*1.2mm,做得比较好的品牌主要有KDS晶振,爱普生晶振,京瓷晶振,NDK晶振,TXC晶振等频率元件制造商。
而工业级、军工级的TCXO应用,除了国外的品牌比如Rakon、Microsemi(Vectron)外,国内品牌则是我司的恒晶
牌(XTALTQ)晶振,可替代和覆盖国外的高精度温补晶振(TCXO)缺口。
由上,若选择的TCXO温补晶振在温度稳定度、相噪、标称频率、工作温度范围上等要求较高,那么这样的TCXO价格也是更高的,但相比同指标的OCXO仍有较大的价格优势,对比VCXO又有更高的温度稳定度。
最后介绍一下恒晶科技TCXO的优势和特点:
恒晶科技TCXO除了填补XO和OCXO之间的空白外,高性能的温度补偿技术还能部分替代OCXO、VCXO的功能,主要从以下几方面:
1) 超级稳定的温稳指标:7050和5032封装在工业级温度-40~+85C范围内,最好可达±50ppb。
2) 涵盖高频的极宽频率范围:9*14mm贴片封装温补晶振TCXO,频率范围从10MHZ~120MHz可选,低相噪指标(eg: 100MHz, -143dBc@1KHz),高温稳(±50ppb -20~+70)
3) 超宽工作温度范围:7050和5032封装在-55~+95的工作温度范围内仍有出色的温稳,最高可达±0.5ppm
4) 提供VCTCXO选项:在0~3V的可调谐压控范围内,频率可调谐范围可达±10ppm。